离心泵的组成及结构
一、离心泵的组成
1.1离心泵是由泵壳、泵盖、叶轮、叶轮螺母、叶轮口环、泵壳口环、机封(单或双端面)/填料、泵轴、轴承、油封、轴承压盖、轴承箱、键、联轴器、支架、共用底座组成,如下图所示。

离心泵的组成
二、离心泵的结构

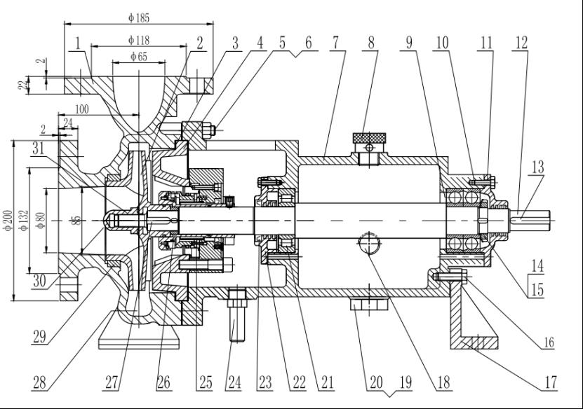
离心泵的结构
1-泵壳 2-叶轮 3-密封垫片 4-泵盖 5-双头螺柱 6-螺母、垫片 7-轴承箱 8-通气帽 9-轴承 10-螺栓 11-轴承压盖 12-泵轴 13-键 14-圆螺母 15-止动垫圈 16-螺栓 17-支架 18-油视镜 19-丝堵 20-丝堵密封垫片 21-轴承 22-轴承压盖 23-油封 24-排液管 25-机封 26-短轴套 27-键 28- 29-泵体口环 30-叶轮锁母
标签:
123
山西公布二本C类院校录取最低控制分数线 经山西省招生考试委员会批准,我省2023年普通高校招生第二批本科C类院校录取最低控制分数线划定,现予以公告。 一、文史类:369分。二、...
158
总投资15亿元的 锦州万达广场项目开工 12月22日,锦州万达广场项目在锦州市松山新区开工奠基。此举,标志着松山新区在全面建设辽宁省现代服务业集聚区上又迈出了新的、更坚实的...
134
160811 《快本》井柏然献唱完美诠释乡土气息 爱豆新闻讯 本周六晚,“最有趣”的男人们空降《快乐大本营》啦!Angelababy(杨颖)、谢娜、谭松韵、吴倩,众女神组成最美评审团,超挑...
60
超频还换ISP?联发科Helio P25正式发布 今天,联发科悄无声息地正式发布了旗下的新SoC产品Helio P25,作为Helio P20系列一员,其在Helio P20基础上的提升主要集中在性能和ISP上面,但大体上和...
118
众议院议长一一迈克-约翰逊简介 迈克·约翰逊,全名詹姆斯·迈克尔·约翰逊(James Michael Johnson),1972年1月30日出生,美国政治家,第56任美国众议院议长。他拥有美国路易斯安那州立...
170
世界最短的飞机航线 80秒就完成飞行...
103
世界最短的飞机航线 80秒就完成飞行 苏格兰Westray和Papa Westray 苏格兰Westray和Papa Westray是两个相隔仅有2.73公里的海岛,往返两地的航线成为世界最短的飞行航线,80秒钟就可以完成飞行。...
132
为何沙坪坝高铁站这么牛? 沙坪坝高铁站1月 25日就要开通啦! 沙坪坝站开通后 成渝高铁可以 从目前的1.5小时 压缩到1小时以内,住在成都,上班在重庆不再是梦! 沙坪坝铁路综合交...
154
中国古代汉服样式大全 中国历史源远流长,孕育了中华独特的文化习俗,俗话说“衣食住行”,衣服之所以能排在首位,不仅仅是因为它能蔽体御寒,在我们这个礼仪之邦,衣服更多的...
113
9个简单又可爱的手抄报边框 9个可爱的手抄报边框,非常简单。 如果认为徐老师提供的手抄报相关内容有使用价值,请同学们转发收藏,谢谢。...
186
绝地求生12月19日维护公告 今天吃鸡更新到几点开服时间 [闽南网] 绝地求生在12月19日迎来一个大的版本更新,大家期待已久的雪地地图终于来了!同时上线的还有一些新枪。不过此次更...
149
南山一棵树,重庆一个不可多得的观景平台! 南山一棵树,位于南岸区王家山脉临江半山腰处,与重庆主城区隔江相望,是重庆都市旅游的必到之地。在这里可以看见重庆城这座山水之...
96
天线宝宝男女生头像 图多话少,喜欢的小伙伴点赞评论哦记得加关注,小编每天都会更新好看的图片图源网络,侵权联系。...
56
马云登顶中国首富 6月26日,胡润研究院发布了《2020胡润全球富豪榜》。亚马逊56岁的杰夫·贝佐斯以9800亿元(人民币,下同)连续第三年成为全球首富,比尔·盖茨以7400亿元排名第三。...
200
肖战笑容高清壁纸...
182
肖战笑容高清壁纸 超喜欢肖战哥哥的笑容...
53
番茄水煮鱼|新学的,超级好吃,对的,别忘了喝汤~ 鱼肉具有丰富的蛋白质,经常吃鱼,好处可谓多多。番茄水煮鱼,新学的,做法超简单,口感嘛,酸酸麻麻,营养全在汤里面。 嗯...
158
北京前十名律师事务所排名 根据北京市律师协会公布的数据,2022年东城区共319家律师事务所,西城区共250家律师事务所,朝阳区共992家律师事务所,海淀区共447家律师事务所,丰台区...
130
56岁沈丹萍与70岁德国老公合影曝光,混血女儿长相撞脸沈梦辰 上世纪八十年代,沈丹萍也算是红极一时的演员,这位来自南京的姑娘,靠着1980年的电影《被爱情遗忘的角落》中的女主...
129
王者荣耀—刑天技能介绍(新英雄新玩法) 王者荣耀的荣耀在游戏中非常关注的新英雄,最新的英雄打破了刑天的消息也很快吸引了小伙伴的注意,那么新英雄的刑天在游戏中和传说中...